IGBT(Insulated Gate Bipolar Transistor)是一种复合全控型电压驱动式功率半导体器 件,为世界公认的电力电子第三次技术革命的代表性产品,具有高频率,高电压,大电 流,易于开关等优良性能。IGBT 模块是由 IGBT 与 FWD(续流二极管芯片)通过特定的 电路桥接封装而成的模块化半导体产品,IGBT 模块具有节能、安装维修方便、散热稳定 等特点;当前市场上销售的多为此类模块化产品。随着节能环保等理念的推进,此类产 品在轨道交通、智能电网、航空航天、电动汽车与新能源装备等领域应用极广。应用产 品如风力发电变频器、光伏逆变器、轨道交通牵引变流器、电动汽车电机控制及充放电 控制等。

国外企业如英飞凌、 ABB、三菱等厂商研发的 IGBT 器件产品规格涵盖电压 600V‐ 6500V,电流 2A‐3600A,已形成完善的 IGBT 产品系列。我国却是全球最大的功率半导体 消费市场,2016 年 IGBT 市场规模约为 105.4 亿人民币,占全球市场的 40%以上,未来 一段时期仍将保持 15%以上的速度增长,市场潜力巨大。但 IGBT 芯片技术含量极高, 制造难度非常大,其研发、制造、应用是衡量一个国家科技创新和高端制造业水平的重 要标志。封装 IGBT 模块所用芯片大多由英飞凌、ABB 等国外公司提供,只有极少量的芯 片由国内生产,国产 IGBT 芯片年产值不到 1 亿元。国内厂家一方面加速扩大 IGBT 模块 生产规模,一方面大力投入 IGBT 芯片研发。
以新能源汽车应用 IGBT 模块为例,电动控制系统的 IGBT 模块成本约占整车成本 10%,车载空调控制系统及充电系统同样用到 IGBT 模块。IGBT 的芯片研发、模块封装、 模块应用都需要有高性能的测试设备来保证产品质量。艾德克斯电子致力于“功率电子” 产品为核心的产业测试解决方案的研究,也为 IGBT 模块提供大功率高精度测试方案。

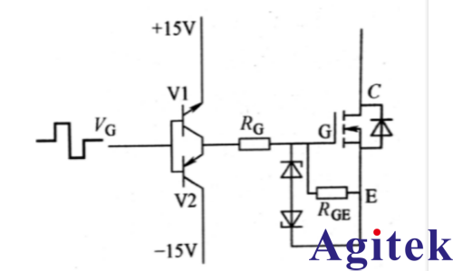
IGBT 的端子为 C:集电极、G:栅极、E:发射极,一般在 G 和 E 之间接入‐15V~+15V 范围间电压,驱动 IGBT 关导通或关断通过正负电压的交替,实现 IGBT 的导通和关断控制。
电动车用 IGBT 模块常用的典型型号为 650V、550A 的模块,其测试项目,主要包括 额定值测试、特性测试、耐久性及可靠性测试等。在额定值测试中,我们可以选用艾德 克斯 IT6500D、IT8900、IT6432 等设备完成测试。

1、集电极‐发射极截止电流 ICES 测试
测试条件:在 VCE=650V,VGE=0V,Tvj=25°C 的条件下,Ices 需要小于等于 5mA。 推荐设备:IT6516D(750V/15A/1800W),IT6432
IT6500D 系列宽范围大功率直流电源,功率高达 30kW,电压电流输出高达 1000V、1200A, 支持 CV\CC\CW 模式下上升下降时间可调,具有高分辨率及高精度,模块化设计在大功 率应用中更加稳定。

2、栅极‐发射极漏电流 IGES 测试
测试条件:在 VCE=0V,VGE=20V,Tvj=25°C 的条件下,测试 Iges 电流。 推荐设备:IT6432
IT6432 双极性直流电源,输出为±30V、±5A,同时具有超高的电流量测精度达 0.005%+0.3uA,电流显示分辨率高达 100nA。

3、栅极‐发射极阈值电压 VGE(th)测试
测试条件:将 C 和 E 之间短接,从零开始逐渐增加栅极‐发射极(GE)间的电压,当检测 到集电极电流达到规定 13mA,记录此时的 VGE 值。
测试设备:IT6432

4、集电极‐发射极饱和电压 VCE(sat)测试
测试条件:由电压源对被测器件施加规定 15V 电压;调节集电极‐发射极电流至规定值 (Ic=550A),这时相对栅极脉冲稳定部分的集电极‐发射极电压即为集电极‐发射极饱和电 压值。 实验方法:负载控制 Ic=550A,IT6432 提供 Vge=15V,用 DVM 表量测 Vce 值。
测试设备: IT6562D(80V/600A/15KW)
IT6432
IT8915‐150‐960(150V/960A/15KW)
IT8900 高性能大功率直流电子负载,支持主从机并联,可将功率扩展至 600kW,50kHz 高速测量、25kHz 动态测试、瞬间过功率加载能力,能满足大功率大电流测试需求。
艾德克斯电子在新能源及功率电子行业有丰富的测试经验,IT6500D 系列宽范围大 功率直流电源、IT8900 高性能大功率直流电子负载在大功率、高电压、大电流的场景下 均有高性能稳定表现,IT6400 双极性直流电源具备双极性及双象限特性,超高的精度和 分辨率是研发测试时的明星电源产品。
相关产品
N23010系列是一款专为半导体行业开发的高精度、多通道的可编程直流电源,可为芯片提供高精度、稳定且纯净的供电,配合环境试验箱进行多项环境可靠性测试 。产品电压精度高达0.01%,支持μA级电流测量,单机多达24个通道,支持本地/远程(LAN/RS232/CAN) 控制,满足芯片批量、自动化测试的需求。
N23020系列是一款专为半导体行业开发的超高精度、多通道的可编程直流电源,可为芯片提供超高精度、稳定且纯净的供电,配合环境试验箱进行多项环境可靠性测试。产品电压精度高达六万分之一,支持nA级电流测量,单机多达16个通道,支持本地/远程(LAN/RS485/CAN)控制,满足芯片批量、自动化测试的需求。
N35100系列是一款集电源和回馈式负载功能特性于一体的高性能小体积双向可编程直流电源。N35100系列不仅能实现DC Source对外提供功率的功能,还可以吸收功率,并将能量转换为清洁的电能返回至电网。这种电源具有高效率的能量回馈功能,可以节省电能消耗和减少空间散热,大幅降低测试成本。此外,N35100还具有精准可靠...
N32100系列是一款高性能高压可编程直流电源,具备宽范围高压输出能力,最高输出电压可达10kV。在低压输出时,产品仍能保证高精度与低纹波,可覆盖多种规格被测物的测试应用。N32100系列响应迅速,电压上升时间≤25ms,可充分满足高速电压建立的测试需求。安全设计方面,全系标配安全互锁功能,确保使用过程安全可靠,充分保...
相关文章
在这个手机追求极薄极轻的时代,如何在小体积内塞进一块功率很大的电池来保证 续航已成为行业内需克服的重点。因此,对于手机电池的模拟测试也越来越被行业重视。 相比较于去使用一个真实的电池进行测试,通过模拟电池特性去测试电池有着非常多的 好处。首先,仿真电池能够非常有效地减少测试时间,提供重复性的测试结果并且创造 一个安全的...
艾德克斯IT6400双极性电源/电池模拟器,作为综合性的智能设备及电池测试解决方案, 提供领先的技术指标和创新性能,不仅满足市场目前对先进的自动测试系统供电需求,更能 助您从容应对测试过程中对最苛刻的要求,精确测量和捕获被测件的电流波形和电压波形。 该设备广泛应用于手机、智能穿戴、无人机及便携音箱等设备与电池的测试...
磁保持继电器是近几年发展起来的一种新型的继电器,也是一种自动开关。和其他电磁继电器一样,对电路起着自动接通和切断作用。所不同的是,磁保持继电器的常闭或常开状态完全是依赖永久磁钢的作用,其开关状态的转换是靠一定宽度的脉冲电信号触发而完成的。磁保持继电器分为单相和三相。据有关资料介绍,目前市场上的磁保持继电器的触点转换电流...
三端双向交流开关(TRIAC=TRIode(三端)AC semiconductor switch)实质上是双向晶闸 管,它是在普通晶闸管的基础上发展起来的,它不仅能代替两只反极性并联的晶闸管,而且 仅用一个触发电路,是目前比较理想的交流开关器件。其中,双向晶闸管(TRIAC)是由 NPNPN 五层半导体材料构成的,相当...
安全气囊系统(SupplementalRestraintSystem—SRS)是汽车上的一种安全防护装置,为降低人身伤亡率发挥着至关重要的作用,其性能测试也是现代汽车安全评价的重要组成部分。为确保其可靠性,国内外均有出台非常严谨的检测规范。目前,通用的安全气囊适用标准包含:国际标准ISO12097-2dao《道路车辆安...
联系电话: 18165377573