继电器是一种电控制器件,是当输入量(激励量)的变化达到规定要求 时,在电气输出电路中使被控量发生预定的阶跃变化的一种电器。它具有控制系 统(又称输入回路)和被控制系统(又称输出回路)之间的互动关系。通常应用 于自动化的控制电路中,它实际上是用小电流去控制大电流运作的一种“自动开 关”。故在电路中起着自动调节、安全保护、转换电路等作用。
继电器的触点有三种基本形式:
1、动合型(常开)(H 型)线圈不通电时两触点是断开的,通电后,两个 触点就闭合。以“合”字的拼音字头 H 表示。
2、动断型(常闭)(D 型)线圈不通电时两触点是闭合的,通电后两个触 点就断开。用“断”字的拼音字头 D 表示。
3、转换型(Z 型)这是触点组型。这种触点组共有三个触点,即中间是动 触点,上下各一个静触点。线圈不通电时,动触点和其中一个静触点断开和另一 个闭合,线圈通电后,动触点就移动,使原来断开的成闭合,原来闭合的成断开 状态,达到转换的目的。这样的触点组称为转换触点,用“转”字的拼音字头 z 表示。
针对动合型 继电器的通断测试进行分析,常规电源在给线圈通电和断电都 需要手动 ON/OFF 进行测试,并且无法控制通断的时间。艾德克斯 IT6400 系列 电源具有 list 功能,可控制通断时间达 1mS 的速度。下图一为我司 IT6400 电源。

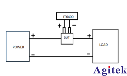
如下图二所示,将继电器串在回路中,电源设定电压输出,负载设定带载值, 通过 IT6400 的 list 功能,来循环驱动继电器的闭合和断开;且 1mS 的通断时间, 满足大部分客户的需求。在此测试回路中,用户也可以在艾德克斯宽广的产品线 上找到合适的可编程电源及电子负载。

如图三所示,为 IT6400 电源 list 编辑界面,其中包括电压,电流,宽度等 等参数。

IT6400 系列高精度可编程直流电源具备多种功能和高性能输出,例如,可 测试电池特性、模拟电池充放电特性、实现电流双极性工作等。具有良好的动态 响应时间,和速度切换模式,可让电压或电流的上升波形高速且无过冲。同时, 用户还可以通过波形显示功能实现示波器的体验,让您使用起来更加简易和有 效。
相关产品
N23010系列是一款专为半导体行业开发的高精度、多通道的可编程直流电源,可为芯片提供高精度、稳定且纯净的供电,配合环境试验箱进行多项环境可靠性测试 。产品电压精度高达0.01%,支持μA级电流测量,单机多达24个通道,支持本地/远程(LAN/RS232/CAN) 控制,满足芯片批量、自动化测试的需求。
N23020系列是一款专为半导体行业开发的超高精度、多通道的可编程直流电源,可为芯片提供超高精度、稳定且纯净的供电,配合环境试验箱进行多项环境可靠性测试。产品电压精度高达六万分之一,支持nA级电流测量,单机多达16个通道,支持本地/远程(LAN/RS485/CAN)控制,满足芯片批量、自动化测试的需求。
N35100系列是一款集电源和回馈式负载功能特性于一体的高性能小体积双向可编程直流电源。N35100系列不仅能实现DC Source对外提供功率的功能,还可以吸收功率,并将能量转换为清洁的电能返回至电网。这种电源具有高效率的能量回馈功能,可以节省电能消耗和减少空间散热,大幅降低测试成本。此外,N35100还具有精准可靠...
N32100系列是一款高性能高压可编程直流电源,具备宽范围高压输出能力,最高输出电压可达10kV。在低压输出时,产品仍能保证高精度与低纹波,可覆盖多种规格被测物的测试应用。N32100系列响应迅速,电压上升时间≤25ms,可充分满足高速电压建立的测试需求。安全设计方面,全系标配安全互锁功能,确保使用过程安全可靠,充分保...
相关文章
固态电池的界面阻抗与动态响应特性,是影响其快充性能、寿命、安全性的关键指标。随着固态电池从实验室单体走向模组级工程化,测试条件从毫安级、小功率场景,迅速升级为大
在电子研发、生产测试及自动化系统中,可编程直流电源是提供稳定、可控电能的核心设备。其选型不仅关系到测试结果的准确性,更影响设备安全与长期运行成本。科学选型需从参
可编程直流电源作为电子测试与实验中的核心设备,其输出电压和电流的精度直接影响到实验结果的准确性和可靠性。因此,定期对可编程直流电源进行校准,是确保其性能稳定、输
在电子测试与测量领域,可编程直流电源和电子负载是实验室与生产线上的常客。尽管它们常被同时提及,甚至外观相似,但两者在功能定位上却截然相反:一个扮演“能量提供者”
前言: 随着互联网、云计算、物联网等新兴技术的兴起,“互联网+”概念成为经济发展的新热 点,渗透到社会的各个领域。在这股浪潮下智能硬件、物联网设备行业以星火燎原
联系电话: 18165377573