DC-DC转换器作为现代电子系统中不可或缺的电源模块,其稳定性与动态响应性能直接影响整个系统的可靠性。而反馈环路的设计与验证,是确保DC-DC转换器在各种负载和输入条件下稳定工作的关键环节。本文将系统阐述如何利用网络分析仪对DC-DC转换器的反馈环路特征进行精确测量,涵盖基本原理、测量方法、配置示例及实际操作中的关键注意事项。

图 1. DC-DC 转换器的基本工作原理
在深入测量方法之前,需理解DC-DC转换器的基本工作原理。以典型的降压型(Buck)转换器为例,其通过MOSFET开关将输入电压斩波为脉冲信号,再经由LC滤波器平滑为稳定的直流输出电压。反馈环路通过电阻分压网络采样输出电压,并与参考电压(Vref)进行比较,误差放大器根据偏差调整脉宽调制器(PWM)的占空比,从而实现闭环控制。这一系统可建模为负反馈控制系统,其稳定性由环路增益(GH)的频率响应决定。

图 2. DC-DC 转换器原理图示例
环路增益是衡量反馈系统性能的核心指标,定义为开环传递函数G与反馈系数H的乘积。当环路增益|GH|=1(即0 dB)时的频率称为交叉频率,决定了系统的带宽;而在此频率处,相位与-180°的差值即为相位裕量,是评估系统稳定性的关键参数。一般要求相位裕量在45°以上,以避免因相位延迟累积至-360°而引发振荡。此外,增益裕量(即相位为0°时增益与0 dB的差值)同样重要,二者共同构成了环路稳定性判据。

图 3. 负反馈环路控制系统
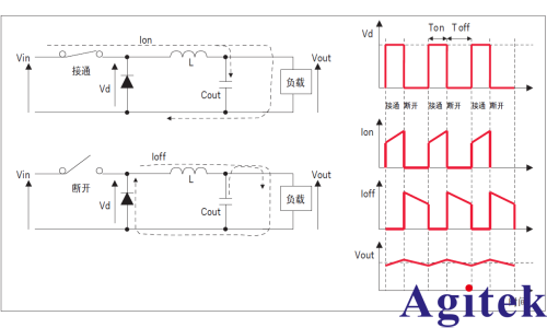
使用网络分析仪测量环路增益,本质上是通过注入小信号扰动,测量闭环系统中某点的响应比值。具体方法是在反馈路径中(通常在分压电阻之前)串联一个由变压器和电阻组成的浮置激励施加电路,向环路注入交流信号。网络分析仪的接收机端口R和T分别连接在注入点两侧,测量其电压比值T/R,即可得到循环传递函数–GH的幅频与相频特性。
图 4. 负反馈控制系统的环路增益测量方法
以E5061B-3L5 LF-RF网络分析仪为例,其增益相位测试端口支持5 Hz至30 MHz频率范围,具备1 MΩ高阻输入模式,非常适合此类测量。实际配置中,需选择合适的注入变压器(如Picotest J2100A或自制脉冲变压器),并串联一个阻值远小于输入阻抗Zin但远大于输出阻抗Zout的电阻R(通常为20–100 Ω),以满足Zin >> R >> Zout的条件,确保注入信号不影响原环路工作点。
测量过程中,激励信号的功率设置尤为关键。若信号过强,会驱动环路进入非线性区,导致测量失真;若过弱,则在低频段因环路增益高而信噪比不足。推荐采用分段扫描策略:在低频段(如100 Hz–1 kHz)设置较高功率(如-10 dBm至-20 dBm),随频率升高逐步降低功率(如至-35 dBm),以在整个频段内保持良好的信噪比与线性度。同时,应使用同轴电缆直接连接测试点,避免使用10:1无源探头,以防地环路干扰影响浮置测量的准确性。

校准是保证测量精度的前提。可将R与T端口的探头短接于注入点(TP1),执行直通响应校准,消除电缆与连接器带来的幅相误差。测量结果中,若在截止频率附近出现尖峰,通常源于转换器自身的开关噪声,属正常现象。通过游标读取交叉频率处的相位值,即可获得相位裕量,进而判断环路是否具备足够的稳定裕度。
综上所述,利用网络分析仪对DC-DC转换器反馈环路进行频域测量,是验证控制环路设计有效性、优化补偿网络参数的重要手段。通过合理配置测量系统、精细调节激励电平并正确解读数据,工程师能够精准评估电源系统的动态性能,确保其在复杂工况下稳定可靠运行。
相关产品
DNA6000矢量网络分析仪是您实验室和生产线的理想选择,它坚固的机身能提供稳定可靠的测量,非常适合长时间、重复性的测试任务。无论是器件研发调试,还是产线质量控制,它都能精确表征滤波器、放大器、线缆等元器件的性能。丰富的接口也让连接和自动化测试变得更简单,是您日常测试工作中的得力助手。
DNA6000矢量网络分析仪是您实验室和生产线的理想选择,它坚固的机身能提供稳定可靠的测量,非常适合长时间、重复性的测试任务。无论是器件研发调试,还是产线质量控制,它都能精确表征滤波器、放大器、线缆等元器件的性能。丰富的接口也让连接和自动化测试变得更简单,是您日常测试工作中的得力助手。
DNA6000矢量网络分析仪是您实验室和生产线的理想选择,它坚固的机身能提供稳定可靠的测量,非常适合长时间、重复性的测试任务。无论是器件研发调试,还是产线质量控制,它都能精确表征滤波器、放大器、线缆等元器件的性能。丰富的接口也让连接和自动化测试变得更简单,是您日常测试工作中的得力助手。
DNA6000矢量网络分析仪是您实验室和生产线的理想选择,它坚固的机身能提供稳定可靠的测量,非常适合长时间、重复性的测试任务。无论是器件研发调试,还是产线质量控制,它都能精确表征滤波器、放大器、线缆等元器件的性能。丰富的接口也让连接和自动化测试变得更简单,是您日常测试工作中的得力助手。
相关文章
在微波工程师的实验室中,矢量网络分析仪是非常精确的一类仪器。R&S®ZNA 更是将精确度提升到了一个新的水平。这款仪器不仅非常精确,现在还可以在测量被测设备的同时在屏幕上即时计算并显示测量不确定度。
在电子测量领域,频谱分析仪与网络分析仪是两种极为重要且应用广泛的测试仪器,尽管它们均用于信号分析,但其设计原理、功能定位及应用场景存在显著差异。 一、测量对象与核心功能不同 频谱分析仪主要用于分析信号在频域中的分布特性,其核心功能是将输入信号按频率展开,显示各频率分量的幅度,从而分析信号的频率、功率谱密度、谐波、杂...
先进的通信和雷达系统采用愈加复杂的调制方案。所用信号带宽也在不断增加。雷达应用通常会通过这两种方式尽量提高数据吞吐量或目标检测分辨率。对于此类系统,信噪比 (SNR) 更是一大难题。此外,搜寻可用频谱需要的载波频率越来越大,导致在特定距离进行传输时传播损耗加剧,并降低了接收机输入端的信号电平。 接收机一般会使用低...
在现代通信系统与射频工程的安装、维护过程中,电缆线路的完整性直接关系到系统运行的稳定性。一旦出现故障,快速、精准地定位故障点成为保障通信质量的关键。利用是德科技(Keysight)矢量网络分析仪(VNA)的DTF(Distance to Fault,故障距离)测量功能,可以高效实现对电缆故障点的定位,极大提升维护效率,...
毫米波和太赫兹范围内的频段用于移动通信、汽车、安全、半导体和基础研究领域的许多应用中。77 GHz/79 GHz 汽车雷达、6G 频段移动通信以及高达和超出 100 GHz 的雷达与传感器都需要对有源和无源组件进行特性测量,例如滤波器、放大器、混频器和天线。许多应用(尤其是晶圆上组件特性测量和天线测量)都要求变频器具有...
联系电话: 18165377573