使用网络分析仪进行阻抗测量的方法有3种:

1.反射法:
反射法测量被测件的反射系数(Γx)。 反射系数Γx与阻抗的关系如下:
Γx=(Zx-Zo)/(Zx + Zo)
其中,Zo 是测量电路的特征阻抗(50Ω),Zx 是 DUT 阻抗。根据公式,测得的反射系数跟随阻抗(Zx)变化在–1至1之间变化。在 Zx 等于 Zo 时可获得最高的精度。阻抗越高,反射系数曲线的斜率就越慢,从而导致阻抗测量精度下降。阻抗通过以下公式计算:
Z = 50 x((1 + S11)/(1-S11))
反射法的阻抗测量范围通常为 2Ω 至 1.5 kΩ(取决于所需的精度和测量频率)。

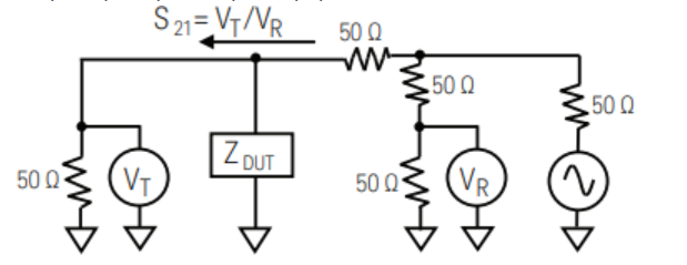
2.串联直通法:
串联直通法通过将 DUT 连接成“串联传输”来测量阻抗。串联直通在测量高阻抗值时最有效:10%的精度范围约为 5Ω 至 20 kΩ或比反射法高大约十倍。阻抗通过以下公式计算:
Z =(50 x 2)x((1-S21)/ S21)

3.并联直通法:
并联直通法通过将 DUT 连接成“并联传输”来测量阻抗。这是测试低阻抗值的好方法,通常用于在毫欧范围内进行测量(如电源完整性应用)。 10%的准确度范围为 1 mΩ 至 10 Ω,低于典型的阻抗分析仪可以达到的范围。阻抗通过以下公式计算:
Z =(50/2)x(S21 /(1-S21))

E5061B网络分析仪有增益相位测试端口和S参数测试端口,都可以测试阻抗。
相关产品
DNA6000矢量网络分析仪是您实验室和生产线的理想选择,它坚固的机身能提供稳定可靠的测量,非常适合长时间、重复性的测试任务。无论是器件研发调试,还是产线质量控制,它都能精确表征滤波器、放大器、线缆等元器件的性能。丰富的接口也让连接和自动化测试变得更简单,是您日常测试工作中的得力助手。
DNA6000矢量网络分析仪是您实验室和生产线的理想选择,它坚固的机身能提供稳定可靠的测量,非常适合长时间、重复性的测试任务。无论是器件研发调试,还是产线质量控制,它都能精确表征滤波器、放大器、线缆等元器件的性能。丰富的接口也让连接和自动化测试变得更简单,是您日常测试工作中的得力助手。
DNA6000矢量网络分析仪是您实验室和生产线的理想选择,它坚固的机身能提供稳定可靠的测量,非常适合长时间、重复性的测试任务。无论是器件研发调试,还是产线质量控制,它都能精确表征滤波器、放大器、线缆等元器件的性能。丰富的接口也让连接和自动化测试变得更简单,是您日常测试工作中的得力助手。
DNA6000矢量网络分析仪是您实验室和生产线的理想选择,它坚固的机身能提供稳定可靠的测量,非常适合长时间、重复性的测试任务。无论是器件研发调试,还是产线质量控制,它都能精确表征滤波器、放大器、线缆等元器件的性能。丰富的接口也让连接和自动化测试变得更简单,是您日常测试工作中的得力助手。
相关文章
磁共振成像(MRI)正经历双向演进:一方面,高场强系统向7T及更高场强发展,持续推动成像分辨率提升;另一方面,低场强永磁体技术逐步成熟,使便携式MRI在急救室、
在射频与微波领域,电缆组件的性能直接影响系统的传输质量。传统的频域测量虽能反映整体响应,但对局部缺陷、阻抗不连续点的定位却显得力不从心。而矢量网络分析仪(VNA)的时域分析功能,通过傅里叶逆变换将频域S参数转化为时间函数,如同为电缆“做CT”,可直观揭示其内部结构特征,实现故障精确定位与阻抗分布分析。
矢量网络分析仪(VNA)作为微波射频领域核心的测量设备,其测量精度直接关系到产品研发与生产的质量。然而,在实际操作中,多种因素会干扰测量结果,导致数据偏差。深入理解这些影响因素,是获得可靠数据的关键。
罗德与施瓦茨(R&S)作为全球领先的测试与测量设备制造商,其矢量网络分析仪(VNA)广泛应用于射频与微波领域。为确保设备性能稳定、功能持续优化,定期进行固件升级至关重要。本文将详细介绍R&S矢量网络分析仪的固件升级步骤及关键注意事项,帮助用户安全、高效地完成升级操作。
矢量网络分析仪(Vector Network Analyzer, VNA)是射频与微波领域中用于测量器件散射参数(S参数)的核心仪器,广泛应用于高频电路设计、天线测试、滤波器调试及材料特性分析等场景。其测量精度与稳定性在很大程度上依赖于内置信号源的性能。因此,对内置信号源提出科学、严谨的参数要求,是确保测试结果准确可靠...
联系电话: 18165377573