这是一篇关于AC-DC转换器测试基础的应用说明文档,主要介绍了AC-DC转换器的基本原理、测试方法及其应用。以下是对这些核心内容的简要概述:
1. AC-DC转换基础:
线性电源:通过铁芯变压器将高压交流电转换为低压交流电,再通过二极管整流和电容滤波得到直流电,适用于低噪声和波纹电压的实验室电源。
开关模式电源(SMPS):采用高频开关技术提高效率,分为低功率级别(<75W)和高功率级别(>75W)两种设计。
低功率级别:常见拓扑为反激式转换器,能效可达90%,适用于笔记本电源和移动充电器。
高功率级别:采用两级转换设计,如升压转换器加谐振半桥转换器,能效可达95%。


2. AC-DC转换器测试:
输入线测试:
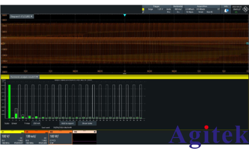
功率质量:包括功率因数(PF)和总谐波失真(THD),PF用于衡量负载利用电源的效率,THD用于衡量电流波形与正弦波的偏差。
浪涌电流:测量转换器启动时的最大电流,通常受输入阻抗和开关相位角影响。
传导发射:评估转换器在输入线上的电磁干扰(EMI),通常使用频谱分析仪或EMI测试接收机。
输出线测试:
输出纹波电压:测量输出电压的波动,包括低频纹波和高频开关瞬变。
瞬态负载响应:测试电源对负载突变的响应速度和稳定性。
效率测试:通过测量输入和输出功率计算转换效率,通常使用功率分析仪或示波器。
上电和断电顺序:测量电源上电和断电时输出电压的延迟,确保系统启动和关闭的可靠性。
3. 测试设备和方法:
设备:推荐使用R&S RTO64示波器、R&S RT-ZHD07高压差分探头、R&S RT-ZC20B电流探头和R&S RT-ZPR20电源轨探头。
方法:包括使用示波器进行时间延迟测量、功率分析、纹波电压测量和电流谐波分析等。
4. 结论:
本文介绍了AC-DC转换器的基本原理和测试方法,强调了示波器在测试中的广泛应用。
通过合理的测试方法和设备,可以有效地评估和优化AC-DC转换器的性能。


这篇文章为AC-DC转换器的测试提供了详细的指导,并通过具体的测试案例展示了如何使用现代测试设备进行高效、准确的测量。
相关产品
同惠TH9302系列交直流耐压绝缘测试仪是同惠电子最新研发的一款具有高性价比、操作简单的仪器。 仪器的原理结构:电流模块是一个DA基准、可控正弦发生器、A
同惠TL5802无源泄漏电流测试仪性能 一、性能特点列表: 测试电压范围:0-250V 测试电流范围:0-2mA/20mA(双档位) 显示功能:测试
同惠TH9320程控交直流耐压绝缘测试仪性能特点 一、性能特点列表: 耐压测试: 交流耐压测试:5kV,电流范围:1μA-20mA 直流耐压测试:6
TH2523电池测试仪的核心技术优势体现在以下几个方面: 一、技术参数及性能指标: 高精度、宽量程电阻测量:具有0.1%的基本电阻测量准确度,量程覆盖3
相关文章
一、概述该方案旨在使用TH2690高精度静电计,对半导体材料进行电学特性测试。通过电流测试模式,评估材料在不同条件下的响应特性,为客户的材料研究与产品开发提供数
Tektronix提供针对PCIe 6.0 CEM测试的 比特误码率测试仪 (BERT) 接收端 (RX) 受限眼图自动校准。该软件名为TekRXTest,并支
罗德与施瓦茨(Rohde & Schwarz)示波器可是测试电流波形的神器,功能强大,精确度高。今天,我就来手把手教你如何用这款示波器来测试电流波形。连接和配置
CMTI 概述及测试背景 CMTI:Common mode transient immunity(共模瞬变抗扰度) 是指对施加在隔离电路间的高速瞬变共模电压的上
在无线通信领域,确保终端设备符合3GPP国际标准对于制造商、运营商以及最终用户来说至关重要。R&S推出的R&S®CMsequencer作为一款强大的图形化脚本工
联系电话: 18165377573