OE4002是一款低噪声超高输入阻抗的前置放大器,输入阻抗高达10MΩ,并具有绝佳的共模抑制能力。
OE4002 超高输入阻抗前置放大器
6 nV/√Hz输入噪声
放大倍数10/20/50/100手动调整
FET 输入,10MΩ 输入阻抗
增益精度达到2%
OE4002是一款低噪声超高输入阻抗的前置放大器,输入阻抗高达10MΩ,并具有绝佳的共模抑制能力。
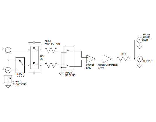
原理框图

相关产品
OE4201是一款浮地隔离的压控电流源设备,可为其他仪器设备提供电流源。OE4201输出增益具有2mA/V与200mA/V两个档位,频率为1Hz-100kHz的交流电流。作为一款电流源仪器,OE4201精度高,稳定性好,输出基本上跟负载和外电压变化无关,抗干扰能力强,反应速度快。该仪器适用于与锁相放大器等灵敏交流仪器配...
OE4003 超低噪声前置放大器,2 nV/√Hz输入噪声。10,20,50,100倍增益,10kΩ输入阻抗,单端或差分输入
OE4101是跨阻电流放大器,通过负反馈结构,利用反馈电阻实现输入电流到电压的转换,并且控制放大倍数。 OE4102通过测量输入电流通道上电阻的压降来检测电流,放大并输出与被测电流成正比的电压信号。
OE4101是跨阻电流放大器,通过负反馈结构,利用反馈电阻实现输入电流到电压的转换,并且控制放大倍数。OE4102通过测量输入电流通道上电阻的压降来检测电流,放大并输出与被测电流成正比的电压信号。
相关文章
在精密电子测量领域,阻抗分析仪是评估元件阻抗特性的重要工具,广泛应用于电容、电感、电阻及复杂阻抗网络的测试。然而,测量结果的准确性不仅取决于仪器本身的性能,更与校准操作密切相关。其中,开路校准与短路校准是确保测量精度的基础步骤,其核心目标在于消除测试系统中的寄生参数影响。
在EV及工业设备不断追求高性能的背景下,电机的多相化发展持续加速。传统主流的三相结构逐渐被替代,采用五 相、六相这类多相电机的情况日益增多,其具体应用有望拓展至电动飞行器、自动驾驶EV等领域。
次时代无线通信5G正在快速普及中。5G拥有低延时以及多连接的特点。例如车对车通信系统VX2,高速通讯的用途在增加。高速信号使用的回路中不可或缺的元器件之一“PIN二极管”。PIN二极管是P区和N区中间夹一层本征层(Intrinsic Layer)的半导体器件。P区、I区、N区取各自的首字母从而被称为PIN。
电机测试中启动电流测试被视为必不可少的测试环节,由于电机启动时冲击电流幅值较大,不仅会极大的缩短电机的使用寿命,同时也会对电网产生极大影响,因此工程师在电机测试过程中必须准确测试电机启动电流,以采取准确的应对措施。
R&S®SMW200A矢量信号发生器可在高度集成的雷达场景模拟器中充当强大而灵活的信号发生源,用于最逼真和灵活的雷达场景。借助R&S®SMW-K503/-K504选件,R&S®SMW200A可以使用流式脉冲描述字(PDW)生成未来的高级I/Q调制雷达信号。它支持高达12兆脉冲描述字/秒(MPDW...
联系电话: 18165377573