RIGOL推出的新一代多通道波形生成解决方案平台。它不仅拥有高达500MHz带宽、2.5GSa/s采样率和16bit高分辨率的核心性能,更在紧凑的机身内集成了多达8个独立输出通道。无论是皮秒级的精密同步,还是纯净安全的隔离输出,DG5000 Pro都旨在为您解决多通道、高精度的复杂测试难题,并显著节省宝贵的实验空间和投资。
双通道对地隔离
消除地环路带来的干扰和噪声,提升输出稳定性,保护对电位差敏感的器件及电路

高采样,低失真
2.5GSa/s采样率及500MHz最高输出频率,为您的波形输出保驾护航

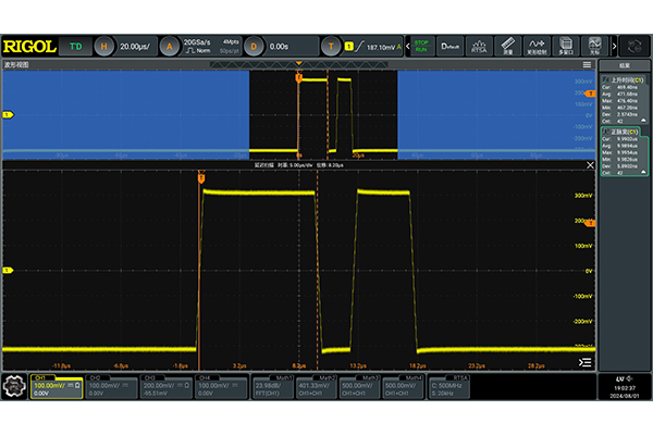
全系170MHz方波,低至0.8ns(typ.)上升时间
全系方波频率170MHz,方波最小上升时间提升至0.8ns(typ.),性能的不妥协,入门即高配

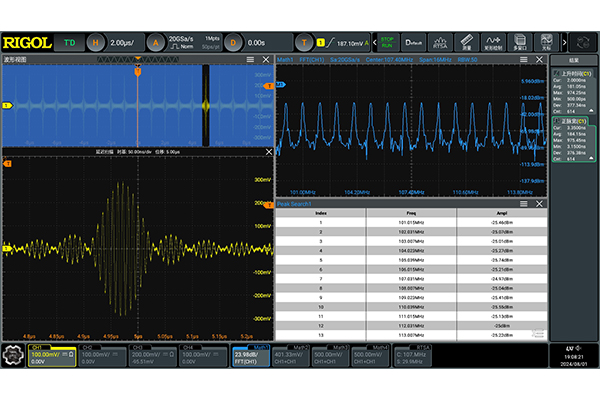
信号高保真,低抖动
运用RIGOL SIFI II信号高保真技术,抖动低至200ps;逐点输出,波形不再抖

自定义码型输出
提供从PRBS2~PRBS32多种伪随机序列输出功能及最高300M波特率的自定义码型输出功能,为工程师验证数字IO接口接收机性能提供最直接的帮助

全新多脉冲功能
支持2~16次脉冲可编辑数,适用于快速生成双脉冲信号,驱动如MOSFET,IGBT,第三代半导体功率器件,测试功率器件动态性能参数

512次事件高级波形序列功能
将原本需要多次重复构建波形,搭建测试环境变为一次完整的测试用例,节约用户时间,提升测试效率

全新多音调制功能
可支持用户生成简单的双音至最多16音调波形,音调幅度相位可灵活编辑,为放大器、滤波器等器件性能测试提供更加高效便捷的测试方法

相关产品
DS9000系列数字示波器是RIGOL面向高速测试领域的全新力作,DS9404作为该系列首发型号,实现了最高4GHz模拟带宽、20GSa/s实时采样率以及最高2Gpts的超深存储深度。除强大的硬件指标外,DS9404型号拥有高达1,000,000 wfms/s的波形捕获率,配合10.1英寸高清触控大屏与丰富的协议分析功...
RIGOL推出的新一代多通道波形生成解决方案平台。它不仅拥有高达500MHz带宽、2.5GSa/s采样率和16bit高分辨率的核心性能,更在紧凑的机身内集成了多达8个独立输出通道。无论是皮秒级的精密同步,还是纯净安全的隔离输出,DG5000 Pro都旨在为您解决多通道、高精度的复杂测试难题,并显著节省宝贵的实验空间和投...
RIGOL推出的新一代多通道波形生成解决方案平台。它不仅拥有高达500MHz带宽、2.5GSa/s采样率和16bit高分辨率的核心性能,更在紧凑的机身内集成了多达8个独立输出通道。无论是皮秒级的精密同步,还是纯净安全的隔离输出,DG5000 Pro都旨在为您解决多通道、高精度的复杂测试难题,并显著节省宝贵的实验空间和投...
RIGOL推出的新一代多通道波形生成解决方案平台。它不仅拥有高达500MHz带宽、2.5GSa/s采样率和16bit高分辨率的核心性能,更在紧凑的机身内集成了多达8个独立输出通道。无论是皮秒级的精密同步,还是纯净安全的隔离输出,DG5000 Pro都旨在为您解决多通道、高精度的复杂测试难题,并显著节省宝贵的实验空间和投...
相关文章
随着5G通信、雷达系统和卫星通信等高新技术的快速发展,毫米波频段(30GHz~300GHz)的应用日益广泛。在这一高频领域,信号的测量与分析对测试设备提出了更高要求。普源精电(RIGOL)推出的RSA6000系列实时频谱分析仪,凭借其强大的射频性能与多维度解析能力,成为毫米波信号测试中值得信赖的高端工具。 RSA60...
什么是USB2.0 USB是一种接口技术,用于规范计算机系统与外部设备的连接和通信。自1995年推出以来,USB以其高速、便捷、可扩展等特点,逐渐取代
在现代电子通信与射频测试领域,相位噪声是评估信号源稳定性与频谱纯净度的关键指标。普源RSA6000系列实时频谱分析仪凭借其高灵敏度、宽动态范围和强大的信号处理能力,成为测量相位噪声的理想工具。然而,要获得准确、可靠的测量结果,不仅依赖于设备性能,更需掌握科学的测量技巧。
随着生成式AI(AIGC)和大模型的爆发式增长,算力集群对内部互连带宽的需求已从400G加速迈向800G乃至1.6T时代。在单通道112G PAM4的高速率下,传统无源铜缆(DAC)受限于趋肤效应与介质损耗,传输距离被物理锁定在2米以内,难以满足跨机柜互连需求。 AEC(Active Electrical Cable...
在5G通信、物联网与高速数字系统快速发展的背景下,射频器件性能表征对测试仪器提出了更高要求。普源精电推出的DNA5000系列矢量网络分析仪(VNA),凭借卓越性能与智能化设计,成为射频研发与生产测试的得力工具。 该系列覆盖5 kHz至26.5 GHz超宽频率范围,提供多款型号选择,如DNA5262(26.5 GHz)...
联系电话: 18165377573