RIGOL推出的新一代多通道波形生成解决方案平台。它不仅拥有高达500MHz带宽、2.5GSa/s采样率和16bit高分辨率的核心性能,更在紧凑的机身内集成了多达8个独立输出通道。无论是皮秒级的精密同步,还是纯净安全的隔离输出,DG5000 Pro都旨在为您解决多通道、高精度的复杂测试难题,并显著节省宝贵的实验空间和投资。
双通道对地隔离
消除地环路带来的干扰和噪声,提升输出稳定性,保护对电位差敏感的器件及电路

高采样,低失真
2.5GSa/s采样率及500MHz最高输出频率,为您的波形输出保驾护航

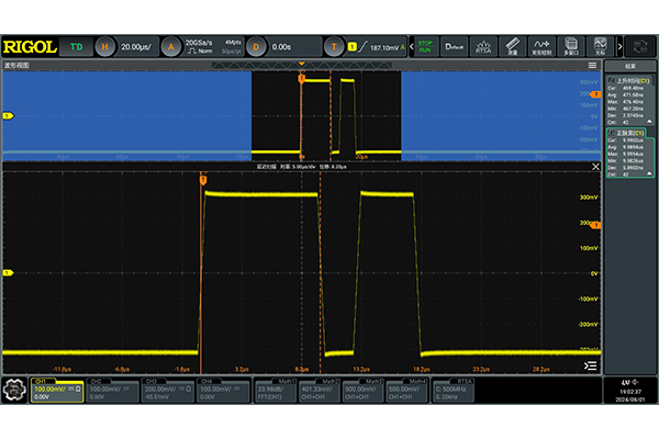
全系170MHz方波,低至0.8ns(typ.)上升时间
全系方波频率170MHz,方波最小上升时间提升至0.8ns(typ.),性能的不妥协,入门即高配

信号高保真,低抖动
运用RIGOL SIFI II信号高保真技术,抖动低至200ps;逐点输出,波形不再抖

自定义码型输出
提供从PRBS2~PRBS32多种伪随机序列输出功能及最高300M波特率的自定义码型输出功能,为工程师验证数字IO接口接收机性能提供最直接的帮助

全新多脉冲功能
支持2~16次脉冲可编辑数,适用于快速生成双脉冲信号,驱动如MOSFET,IGBT,第三代半导体功率器件,测试功率器件动态性能参数

512次事件高级波形序列功能
将原本需要多次重复构建波形,搭建测试环境变为一次完整的测试用例,节约用户时间,提升测试效率

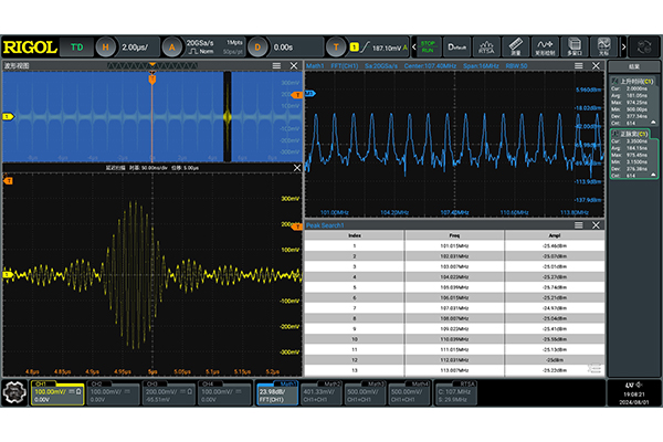
全新多音调制功能
可支持用户生成简单的双音至最多16音调波形,音调幅度相位可灵活编辑,为放大器、滤波器等器件性能测试提供更加高效便捷的测试方法

相关产品
DS9000系列数字示波器是RIGOL面向高速测试领域的全新力作,DS9404作为该系列首发型号,实现了最高4GHz模拟带宽、20GSa/s实时采样率以及最高2Gpts的超深存储深度。除强大的硬件指标外,DS9404型号拥有高达1,000,000 wfms/s的波形捕获率,配合10.1英寸高清触控大屏与丰富的协议分析功...
RIGOL推出的新一代多通道波形生成解决方案平台。它不仅拥有高达500MHz带宽、2.5GSa/s采样率和16bit高分辨率的核心性能,更在紧凑的机身内集成了多达8个独立输出通道。无论是皮秒级的精密同步,还是纯净安全的隔离输出,DG5000 Pro都旨在为您解决多通道、高精度的复杂测试难题,并显著节省宝贵的实验空间和投...
RIGOL推出的新一代多通道波形生成解决方案平台。它不仅拥有高达500MHz带宽、2.5GSa/s采样率和16bit高分辨率的核心性能,更在紧凑的机身内集成了多达8个独立输出通道。无论是皮秒级的精密同步,还是纯净安全的隔离输出,DG5000 Pro都旨在为您解决多通道、高精度的复杂测试难题,并显著节省宝贵的实验空间和投...
RIGOL推出的新一代多通道波形生成解决方案平台。它不仅拥有高达500MHz带宽、2.5GSa/s采样率和16bit高分辨率的核心性能,更在紧凑的机身内集成了多达8个独立输出通道。无论是皮秒级的精密同步,还是纯净安全的隔离输出,DG5000 Pro都旨在为您解决多通道、高精度的复杂测试难题,并显著节省宝贵的实验空间和投...
相关文章
随着生成式AI(AIGC)和大模型的爆发式增长,算力集群对内部互连带宽的需求已从400G加速迈向800G乃至1.6T时代。在单通道112G PAM4的高速率下,传统无源铜缆(DAC)受限于趋肤效应与介质损耗,传输距离被物理锁定在2米以内,难以满足跨机柜互连需求。 AEC(Active Electrical Cable...
在5G通信、物联网与高速数字系统快速发展的背景下,射频器件性能表征对测试仪器提出了更高要求。普源精电推出的DNA5000系列矢量网络分析仪(VNA),凭借卓越性能与智能化设计,成为射频研发与生产测试的得力工具。 该系列覆盖5 kHz至26.5 GHz超宽频率范围,提供多款型号选择,如DNA5262(26.5 GHz)...
RIGOL的可编程线性直流电源通过其高品质和灵活的功能,为广泛的应用场景提供了可靠的电源解决方案。无论是在教育、研发还是生产领域,RIGOL的电源都能够满足低纹波、高精度和高稳定性的需求。
在现代电子工程领域,对射频(RF)和微波元器件的精确表征是确保系统性能和可靠性的基石。普源精电(RIGOL),作为全球知名的电子测量仪器供应商,于2025年10月推出了全新的DNA5000/6000系列矢量网络分析仪(VNA)。其中,DNA6000系列以其经典的台式设计和卓越的性能,致力于成为研发实验室与生产线上的理想...
普源示波器MHO2000是一款高性能电子测量仪器,广泛应用于电路调试、信号分析与故障诊断等领域。其操作简便、功能丰富,掌握正确使用方法可显著提升测试效率与准确性。以下是该示波器的系统化使用指南。
联系电话: 18165377573