普源DG5354-Pro函数/任意波形发生器

普源DG5354-Pro函数/任意波形发生器

RIGOL推出的新一代多通道波形生成解决方案平台。它不仅拥有高达500MHz带宽、2.5GSa/s采样率和16bit高分辨率的核心性能,更在紧凑的机身内集成了多达8个独立输出通道。无论是皮秒级的精密同步,还是纯净安全的隔离输出,DG5000 Pro都旨在为您解决多通道、高精度的复杂测试难题,并显著节省宝贵的实验空间和投资。

双通道对地隔离

消除地环路带来的干扰和噪声,提升输出稳定性,保护对电位差敏感的器件及电路

普源DG5354-Pro函数/任意波形发生器(图1)

高采样,低失真

2.5GSa/s采样率及500MHz最高输出频率,为您的波形输出保驾护航

普源DG5354-Pro函数/任意波形发生器(图2)

全系170MHz方波,低至0.8ns(typ.)上升时间

全系方波频率170MHz,方波最小上升时间提升至0.8ns(typ.),性能的不妥协,入门即高配

普源DG5354-Pro函数/任意波形发生器(图3)

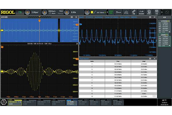
信号高保真,低抖动

运用RIGOL SIFI II信号高保真技术,抖动低至200ps;逐点输出,波形不再抖

普源DG5354-Pro函数/任意波形发生器(图4)

自定义码型输出

提供从PRBS2~PRBS32多种伪随机序列输出功能及最高300M波特率的自定义码型输出功能,为工程师验证数字IO接口接收机性能提供最直接的帮助

普源DG5354-Pro函数/任意波形发生器(图5)

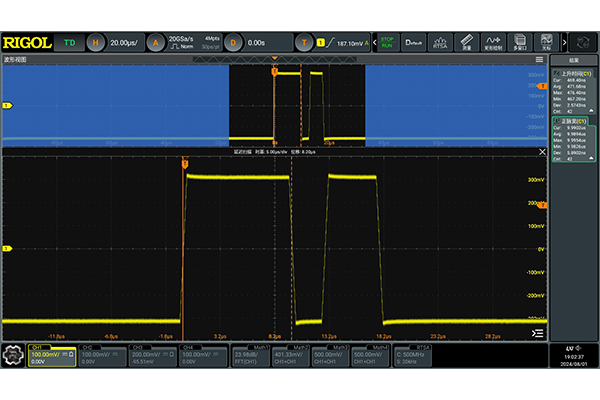
全新多脉冲功能

支持2~16次脉冲可编辑数,适用于快速生成双脉冲信号,驱动如MOSFET,IGBT,第三代半导体功率器件,测试功率器件动态性能参数

普源DG5354-Pro函数/任意波形发生器(图6)

512次事件高级波形序列功能

将原本需要多次重复构建波形,搭建测试环境变为一次完整的测试用例,节约用户时间,提升测试效率

普源DG5354-Pro函数/任意波形发生器(图7)

全新多音调制功能

可支持用户生成简单的双音至最多16音调波形,音调幅度相位可灵活编辑,为放大器、滤波器等器件性能测试提供更加高效便捷的测试方法

普源DG5354-Pro函数/任意波形发生器(图8)


相关产品

相关文章

安泰测试

联系电话: 18165377573