DG5000 Pro函数/任意波形发生器是RIGOL新一代隔离波形发生器。产品基于Si-Fi II技术平台,实现最高2.5GSa/s采样率,500MHz输出频率,16bit垂直分辨率,拥有多项全新功能升级,满足多个行业及应用场景需求。
双通道对地隔离
消除地环路带来的干扰和噪声,提升输出稳定性,保护对电位差敏感的器件及电路

高采样,低失真
2.5GSa/s采样率及500MHz最高输出频率,为您的波形输出保驾护航

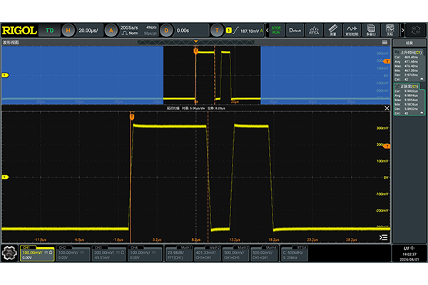
全系170MHz方波,低至0.8ns(typ.)上升时间
全系方波频率170MHz,方波最小上升时间提升至0.8ns(typ.),性能的不妥协,入门即高配

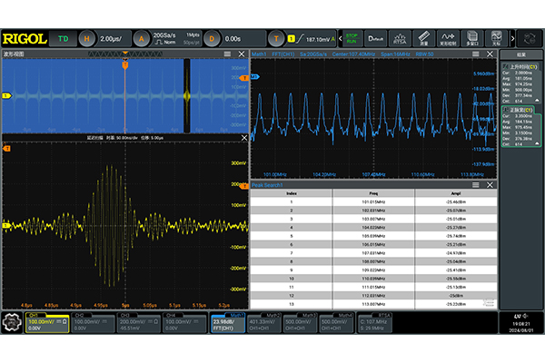
信号高保真,低抖动
运用RIGOL SIFI II信号高保真技术,抖动低至200ps;逐点输出,波形不再抖

自定义码型输出
提供从PRBS2~PRBS32多种伪随机序列输出功能及最高300M波特率的自定义码型输出功能,为工程师验证数字IO接口接收机性能提供最直接的帮助

全新多脉冲功能
支持2~16次脉冲可编辑数,适用于快速生成双脉冲信号,驱动如MOSFET,IGBT,第三代半导体功率器件,测试功率器件动态性能参数

512次事件高级波形序列功能
将原本需要多次重复构建波形,搭建测试环境变为一次完整的测试用例,节约用户时间,提升测试效率

全新多音调制功能
可支持用户生成简单的双音至最多16音调波形,音调幅度相位可灵活编辑,为放大器、滤波器等器件性能测试提供更加高效便捷的测试方法

相关产品
双通道对地隔离消除地环路带来的干扰和噪声,提升输出稳定性,保护对电位差敏感的器件及电路高采样,低失真2.5GSa/s采样率及500MHz最高输出频率,为您的波形
普源DG5252 Pro函数/任意波形发生器是一款性能卓越的信号源,其主要功能和特点可总结如下: 性能参数: 最高输出频率:250MHz 采样率:2.
OE4201是一款浮地隔离的压控电流源设备,可为其他仪器设备提供电流源。OE4201输出增益具有2mA/V与200mA/V两个档位,频率为1Hz-100kHz的交流电流。作为一款电流源仪器,OE4201精度高,稳定性好,输出基本上跟负载和外电压变化无关,抗干扰能力强,反应速度快。该仪器适用于与锁相放大器等灵敏交流仪器配...
OE4003 超低噪声前置放大器,2 nV/√Hz输入噪声。10,20,50,100倍增益,10kΩ输入阻抗,单端或差分输入
相关文章
在电子测试与通信设备调试领域,脉冲信号的精确生成与调节至关重要。普源信号发生器DG5252 Pro凭借其强大的波形控制能力,为用户提供了灵活多样的脉冲信号生成方
在现代电子产品研发与调试过程中,强电磁干扰(EMI)环境常常对测量精度和信号完整性构成严峻挑战。泰克示波器凭借其高带宽、低噪声和先进的频谱分析能力,成为EMI测试中的关键工具。然而,要在复杂电磁环境中获得可靠数据,仅依赖高性能设备远远不够,还需结合科学的屏蔽措施与精准的测量技巧。
罗德与施瓦茨RTB2002示波器是一款高性能、多功能的测试仪器,广泛应用于电子研发、教学实验与工业检测等领域。其不仅可测量交流信号波形,还能精准测量直流电压。以下是使用RTB2002示波器测量直流电压的完整操作教程,帮助用户规范操作,提升测量精度。
在电子设备维修与调试过程中,电路板短路是常见且危害较大的故障之一,可能导致元器件烧毁、电源跳闸甚至系统瘫痪。传统检测方法多依赖万用表电阻测量,但面对复杂电路或瞬态短路,往往效率低下。泰克示波器凭借其高采样率、精准时域分析能力和丰富触发功能,可实现对短路故障的快速、非破坏性诊断,显著提升排查效率。
罗德与施瓦茨R&S®RTC1002示波器是一款高性能、便携式数字示波器,具备300MHz带宽、2Gsa/s采样率和2Mpts存储深度,广泛应用于电子研发、生产测试与现场维护。为帮助用户高效使用该设备,以下提供系统化操作指南。
联系电话: 18165377573